Nylon flensrollen, ook bekend als diabolorollen of trompetrollen, spelen een cruciale rol in het soepele en efficiënte transport van oogstkarren over buizen en buisrails in de tuinbouwsector. Deze rollen zorgen voor de perfecte geleiding en verminderen wrijving, wat resulteert in verbeterde wendbaarheid, duurzaamheid en geluidsreductie. Lees verder om meer te weten te komen over de kenmerken en voordelen van nylon flensrollen voor buisvervoer op oogstkarren. Nylon flensrollen zijn speciaal ontworpen om de wendbaarheid van oogstkarren te verbeteren en nauwkeurige geleiding langs buisrails mogelijk te maken. Met hun unieke conische flens aan één zijde bewegen deze rollen soepel over buisrails zonder vast te lopen. Dit zorgt voor een gestroomlijnd transportproces waarbij de oogstkarren nauwkeurig het traject van de buisrails volgen. De verbeterde wendbaarheid en geleiding dragen bij aan een efficiënte logistiek in kassen en tuinbouwakkers. Nylon flensrollen van POM-kunststof verminderen de wrijving tussen het wiel en de buisrails aanzienlijk. Dit resulteert in minder energieverbruik tijdens het voortbewegen van de oogstkarren, lagere slijtage aan de rollen en buisrails, en kostenbesparingen op lange termijn. Bovendien dempt het gladde oppervlak van nylon trillingen en minimaliseert het geluid, wat zorgt voor een rustigere werkomgeving in kassen waar geluidsgevoelige gewassen worden geteeld. Nylon flensrollen gemaakt van POM-kunststof zijn duurzaam en gaan lang mee. Het sterke en vormvaste materiaal biedt weerstand tegen zware belastingen en ruwe omstandigheden, waardoor de rollen langer meegaan dan rollen gemaakt van andere materialen. Dit resulteert in minder frequente vervangingen en kostenbesparingen voor tuinbouwbedrijven. Investeer in nylon flensrollen voor een efficiënt buisvervoer en een verlengde levensduur van uw oogstkarren. Nylon flensrollen zijn de perfecte keuze voor oogstkarren die worden gebruikt voor het vervoeren van buizen en buisrails in de tuinbouwsector. Ze bieden verbeterde wendbaarheid, nauwkeurige geleiding, verminderde wrijving, duurzaamheid en geluidsreductie. Door te investeren in nylon flensrollen kunnen tuinbouwbedrijven de efficiëntie van hun transportprocessen verbeteren, de kosten verlagen en de productiviteit verhogen. Kies voor de betrouwbaarheid en prestaties van nylon flensrollen en optimaliseer het buisvervoer op oogstkarren in kassen en tuinbouwakkers.Nylon Flensrollen voor Efficiënt Buisvervoer - De Perfecte Geleiding voor Oogstkarren
Ontdek de Voordelen van Nylon Flensrollen
Verbeterde Wendbaarheid en Geleiding
Verminderde Wrijving en Geluidsreductie
Duurzaamheid en Lange Levensduur
Perfecte Keuze voor de Tuinbouwsector
Diabolorollen of trompetrollen gemaakt uit POM zijn de perfecte flensrollen voor geleiding van Oogstkarren
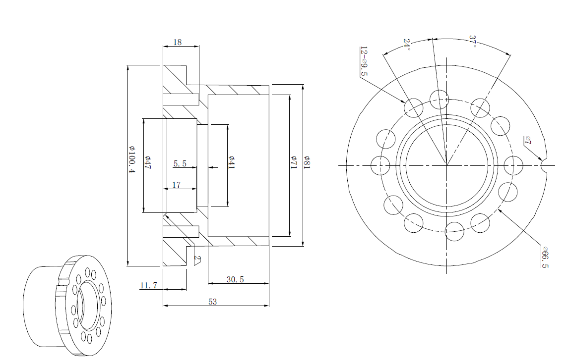
Productomschrijving
Kwaliteit en service sinds 1946
Kwaliteit en service sinds 1946
Onze kwaliteit is het creëren van een gemakkelijker werkleven voor de gebruiker van het wiel.
Elke gebruiker en applicatie heeft andere behoeften. Laat ons weten hoe wij je kunnen helpen een tevreden klant te worden.
Wielen.nl is the range of the most popular wheels from our group of companies. Over two hundred fifty employees focus on manufacturing and developing high-quality wheels for the European market.
Product informatie
- SKU 100046090
- EAN 8718116075745
Specificaties
- Streepvrije band Nee
- Wiel breedte (mm) 92/170
- Lager Type precisiekogellager
- Loopoppervlak geheel Polypropyleen wiel


